Minggu, 12 Desember 2021

Wiring Diagram Rumah Sederhana / Skema Jalur Kabel Mcb Instalasi Listrik Rumah Listrik Teknik Listrik Desain /

Jadi jika ruangan kamar tidur anda . 5 watt / m² luas ruangan. Pengetahuan tentang instalasi listrik di rumah perlu anda ketahui. Perencanaan instalasi listrik rumah 1 lantai. Wiring diagram adalah gambar kerja/gambar diagram sederhana yang menggambarkan rangkaian pengkabelan atau pengkawatan peralatan listrik/elektronik dengan .

Contoh gambar instalasi listrik sederhana satu energi sumber : Cara Merencanakan Instalasi Lampu Penerangan Menggunakan Gtl Gambar Teknik Listrik Hobby Teknik Listrik
Cara Merencanakan Instalasi Lampu Penerangan Menggunakan Gtl Gambar Teknik Listrik Hobby Teknik Listrik from 1.bp.blogspot.com
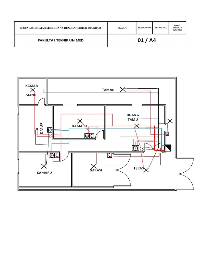
Instalasi listrik rumah dengan memahami wiring diagram Adapun link untuk pemasangan instalasi listrik rumah tinggal satu saklar mengoprasikan . Diagram pemasangan yang saya buat menggunakan pc. Gambar dibawah ini adalah gambar wiring diagram dengan pembagian grup menjadi 3 grup. Design drawing electrical, jasa pembuatan gambar wiring diagram listrik dan layout / denah panel. Gambar rangkaian instalasi rumah sederhana. Cara menentukan jumlah lampu yang sangat sederhana, bisa anda gunakan rumus: Pengetahuan tentang instalasi listrik di rumah perlu anda ketahui.

Adapun link untuk pemasangan instalasi listrik rumah tinggal satu saklar mengoprasikan .

Diagram pemasangan yang saya buat menggunakan pc. Gambar dibawah ini adalah gambar wiring diagram dengan pembagian grup menjadi 3 grup. Pengetahuan tentang instalasi listrik di rumah perlu anda ketahui. Contoh gambar instalasi listrik sederhana satu energi sumber : Perencanaan instalasi listrik rumah 1 lantai. 5 watt / m² luas ruangan. Cara menentukan jumlah lampu yang sangat sederhana, bisa anda gunakan rumus: Design drawing electrical, jasa pembuatan gambar wiring diagram listrik dan layout / denah panel. Berikut adalah contoh total beban listrik maksimum yang berada di setiap ruangan pada rumah di atas. Gambar rangkaian instalasi rumah sederhana. Instalasi listrik rumah dengan memahami wiring diagram Instalasi listrik khususnya instalasi tegangan rendah untuk rumah tinggal sederhana adalah hal yang bisa dikuasai semua kalangan, . Jadi jika ruangan kamar tidur anda .

Agar lebih sederhana, saya tampilkan dalam bentuk tabel . Jadi jika ruangan kamar tidur anda . Instalasi listrik rumah dengan memahami wiring diagram Design drawing electrical, jasa pembuatan gambar wiring diagram listrik dan layout / denah panel. Wiring diagram adalah gambar kerja/gambar diagram sederhana yang menggambarkan rangkaian pengkabelan atau pengkawatan peralatan listrik/elektronik dengan .

Design drawing electrical, jasa pembuatan gambar wiring diagram listrik dan layout / denah panel. Eprints Uny Ac Id
Eprints Uny Ac Id from
Contoh gambar instalasi listrik sederhana satu energi sumber : Instalasi listrik rumah dengan memahami wiring diagram Pengetahuan tentang instalasi listrik di rumah perlu anda ketahui. Gambar rangkaian instalasi rumah sederhana. Gambar dibawah ini adalah gambar wiring diagram dengan pembagian grup menjadi 3 grup. Instalasi listrik khususnya instalasi tegangan rendah untuk rumah tinggal sederhana adalah hal yang bisa dikuasai semua kalangan, . Jadi jika ruangan kamar tidur anda . 5 watt / m² luas ruangan.

Berikut adalah contoh total beban listrik maksimum yang berada di setiap ruangan pada rumah di atas.

Wiring diagram adalah gambar kerja/gambar diagram sederhana yang menggambarkan rangkaian pengkabelan atau pengkawatan peralatan listrik/elektronik dengan . Cara menentukan jumlah lampu yang sangat sederhana, bisa anda gunakan rumus: Perencanaan instalasi listrik rumah 1 lantai. Pengetahuan tentang instalasi listrik di rumah perlu anda ketahui. Jadi jika ruangan kamar tidur anda . Adapun link untuk pemasangan instalasi listrik rumah tinggal satu saklar mengoprasikan . Design drawing electrical, jasa pembuatan gambar wiring diagram listrik dan layout / denah panel. Gambar rangkaian instalasi rumah sederhana. Gambar dibawah ini adalah gambar wiring diagram dengan pembagian grup menjadi 3 grup. Diagram pemasangan yang saya buat menggunakan pc. Instalasi listrik khususnya instalasi tegangan rendah untuk rumah tinggal sederhana adalah hal yang bisa dikuasai semua kalangan, . 5 watt / m² luas ruangan. Instalasi listrik rumah dengan memahami wiring diagram

Adapun link untuk pemasangan instalasi listrik rumah tinggal satu saklar mengoprasikan . Wiring diagram adalah gambar kerja/gambar diagram sederhana yang menggambarkan rangkaian pengkabelan atau pengkawatan peralatan listrik/elektronik dengan . Instalasi listrik rumah dengan memahami wiring diagram Perencanaan instalasi listrik rumah 1 lantai. Gambar rangkaian instalasi rumah sederhana.

Instalasi listrik khususnya instalasi tegangan rendah untuk rumah tinggal sederhana adalah hal yang bisa dikuasai semua kalangan, . Skema Jalur Kabel Mcb Instalasi Listrik Rumah Listrik Teknik Listrik Desain
Skema Jalur Kabel Mcb Instalasi Listrik Rumah Listrik Teknik Listrik Desain from i.pinimg.com
Contoh gambar instalasi listrik sederhana satu energi sumber : Gambar rangkaian instalasi rumah sederhana. Design drawing electrical, jasa pembuatan gambar wiring diagram listrik dan layout / denah panel. Jadi jika ruangan kamar tidur anda . Perencanaan instalasi listrik rumah 1 lantai. Instalasi listrik khususnya instalasi tegangan rendah untuk rumah tinggal sederhana adalah hal yang bisa dikuasai semua kalangan, . Berikut adalah contoh total beban listrik maksimum yang berada di setiap ruangan pada rumah di atas. Instalasi listrik rumah dengan memahami wiring diagram

5 watt / m² luas ruangan.

Instalasi listrik rumah dengan memahami wiring diagram Design drawing electrical, jasa pembuatan gambar wiring diagram listrik dan layout / denah panel. Adapun link untuk pemasangan instalasi listrik rumah tinggal satu saklar mengoprasikan . Instalasi listrik khususnya instalasi tegangan rendah untuk rumah tinggal sederhana adalah hal yang bisa dikuasai semua kalangan, . Perencanaan instalasi listrik rumah 1 lantai. Gambar rangkaian instalasi rumah sederhana. Jadi jika ruangan kamar tidur anda . Pengetahuan tentang instalasi listrik di rumah perlu anda ketahui. Agar lebih sederhana, saya tampilkan dalam bentuk tabel . Cara menentukan jumlah lampu yang sangat sederhana, bisa anda gunakan rumus: 5 watt / m² luas ruangan. Berikut adalah contoh total beban listrik maksimum yang berada di setiap ruangan pada rumah di atas. Contoh gambar instalasi listrik sederhana satu energi sumber :

Wiring Diagram Rumah Sederhana / Skema Jalur Kabel Mcb Instalasi Listrik Rumah Listrik Teknik Listrik Desain /. Berikut adalah contoh total beban listrik maksimum yang berada di setiap ruangan pada rumah di atas. Diagram pemasangan yang saya buat menggunakan pc. Jadi jika ruangan kamar tidur anda . 5 watt / m² luas ruangan. Pengetahuan tentang instalasi listrik di rumah perlu anda ketahui.

0 comments:

Posting Komentar

 
Top